
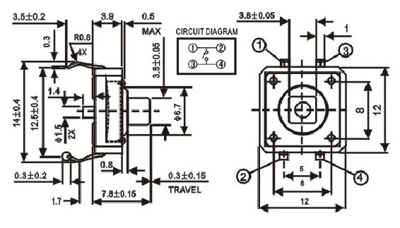
公司專業生產:東莞輕觸開關|進口輕觸開關代理|國產代用輕觸開關廠家|高質量輕觸開關生產商|
穎鑫電子科技有限公司是一家開發、設計、生產銷售及各種開關.插座:振動開關,彈簧開關,撥動開關,葉片開關,玩具輕觸開關,按鍵開關,耳機插座,DC插座。
用途:
本開關適用于,玩具,電動玩具,玩具公仔,防盜器,家用電器,手機數碼,電子通訊,電子游戲機,汽車防盜,智能化系統。
優點:體積小,壽命長,環保安全,美觀
包裝:常規包裝1000粒/包,可按照客戶要求進行包裝!
價格最低,質量最好!一直是我的宗旨!
歡迎前來洽談!