
船型開關公司-船型開關供應商-船型開關生產廠家 船形開關公司|船形開關供應商|船形開關生產廠家(東莞、深圳、惠州)
找東莞船型開關開關,首選東莞市穎鑫電子科技有限公司,公司于1997年成立時一家集設計、研發、生產、銷售為一體的高科技企業。專業從事高品質船型開關、滾珠開關、鈕子開關、滑動開關、溫控開關、按鍵開關、翹板開關價格,滾珠開關、珠子開關、鍍金鋼珠開關、彈簧開關、滾珠振動傳感器、振動彈簧開關、撥動開關、防盜滾珠開關、彈簧傳感器、電源開關、輕觸開關、工業開關、微動開關、插座等產品的生產及銷售,主要市埸有香港、臺灣、東南亞、美國及歐盟等國家和地區 , 公司全面提供環保產品,并可開具 17% 增值稅票,香港有分公司,可轉廠
主營:船型開關、滾珠開關、鈕子開關、滑動開關、溫控開關、按鍵開關、翹板開關價格,穎鑫是很穩定的蹺板開關廠家、優秀的船型開關供應商。
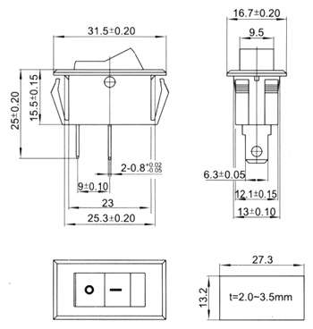
R19(R9)環保蹺板船型開關系列:
1、安規及電流方面:UL:6A250VAC/9A125VAC 16A250VAC/21A125VACVDE(ENEC):4(1)A250VAC CQC:12(4)A250VAC
2、機械壽命:30000次、 電器壽命:10000次、 接觸電壓:小于20兆歐、 絕緣電阻:大于1000兆歐、 工頻耐壓:大于1500伏/minutes、 材料:PC/PA66等料、 端子:鍍銀/鈹銅等、 防火等級:UL94 V-2。 沖擊電流:90A,140A。
3、功能:單回路 ON-OFF、帶燈ON-OFF、雙回路ON-OFF、帶燈ON-OFF。
4、面板開口尺寸:19/13、腳型:T腳、P1腳、P2腳、L腳。R腳
5、網站:m.chendeyongf.cn
上一篇: